Możesz samemu w łatwy i w niedrogi sposób zbudować swój własny i w pełni mobilny odtwarzacz plików MIDI. W tej sekcji zostanie opisane wszystko co potrzeba aby to zrobić.
Najważniejszą cechą dla tego rozwiązania jest bardzo niska cena oraz małe wymiary i ciągły czas pracy (w odróżnieniu od np. tabletów, które działają tylko przez czas naładowanego akumulatora). Małe gabaryty, to możliwość transportu w każde miejsce i nieograniczona możliwość wykorzystania go w niemal każdej sytuacji.
Jedyne potrzebne umiejętności do jego budowy, to smykałka do drobnego majsterkowania i podstawowe narzędzia używane w amatorskiej elektronice (lutownica, wiertarka modelarska itp.)
Mobilny odtwarzacz MIDI Player bazuje na tanim i świetnym do amatorskich zastosowań układem Raspberry PI Zero. Moduł ten jest przede wszystkim bardzo tani i jednocześnie stanowi w pełni funkcjonalny mikrokomputer. Bardzo małe wymiary w połączeniu z systemem operacyjnym Linux (odmiana Linux Debian dla popularnej „malinki”) jest świetną bazą do budowy takiego właśnie urządzenia jak mobilny odtwarzacz plików MIDI (na tym blogu nazywany urządzeniem MIDI Player).
Poniżej znajduje się wykaz wszystkich niezbędnych elementów do budowy takiego urządzenia (wszystkie wymienione elementy można zakupić w dowolnym sklepie z elektroniką).

UWAGI: Wszystkie rezystory winny być o mocy 0,25 W. Wyświetlacz alfanumeryczny winien mieć 2 wiersze po 16 znaków każdy i być zgodny ze sterownikiem HD44780. Zarówno rezystory jak i kondensatory są sprzedawane zwykle w ilości minimalnej 10 szt. w zestawie. W związku z tym należy zakupić po jednym zestawie dla każdego rodzaju kondensatorów i rezystorów wymienionych w tabeli powyżej.
Kalkulując cenę zakupu wszystkich niezbędnych elementów do budowy urządzenia, należy dodać koszt przesyłki (w przypadku zakupów przez internet) oraz koszt wykonania dwóch płytek drukowanych (dla modułu przycisków oraz dla modułu wyjściowego MIDI Out). Płytki drukowane można wykonać we własnym zakresie lub zlecając dla odpowiedniej firmy (wysyłając projekt do specjalizowanej firmy zajmującej się wykonywaniem takich płytek drukowanych na zamówienie). Można też wykorzystać dowolną płytkę uniwersalną. Przykładowa płytka uniwersalna nadająca się do opisywanych przypadków została przedstawiona poniżej:

Samo urządzenie składa się z czterech głównych funkcjonalnych modułów:
– moduł jednostki centralnej (Raspberry PI Zero)
– moduł alfanumerycznego wyświetlacza LCD
– moduł przycisków
– moduł wyjściowy MIDI Out
MODUŁ JEDNOSTKI CENTRALNEJ
Moduł jednostki centralnej Raspberry PI Zero wygląda następująco:

Jak już wcześniej wspomniano jest to pełnoprawny mikrokomputer z wbudowanym wejściem micro USB (do którego można podłączyć np. pendrive) oraz z wyjściem HDMI do przyłączenia monitora lub telewizora. Zdjęcie powyżej przedstawia moduł jednostki centralnej wraz z włożoną kartą micro SD oraz dostępne interfejsy.
Wejście zasilania, to gniazdo micro USB. Wejście pendrive, to gniazdo micro USB i w rzeczywistości jest to uniwersalne wejście/wyjście USB, ale w tym konkretnym przypadku stanowi jedynie wejście dla plików midi zapisanych na nośniku zewnętrznym, typu pendrive (stąd taka nazwa na grafice powyżej). Wyjście HDMI, to w rzeczywistości gniazdo micro HDMI, ale w tym konkretnym przypadku nie jest wykorzystywane. Interfejs urządzeń zewnętrznych, to w rzeczywistości piny, do których będziemy podpinać zewnętrzne moduły przycisków i MIDI Out.
Zasilacz dla Raspberry PI Zero musi mieć wyjście na micro USB oraz spełniać odpowiednie wymagania. Zazwyczaj sklepy internetowy oferujące „malinki” mają też w swojej ofercie odpowiednie zasilacze. Wystarczy jedynie złożyć stosowne zamówienie.
Dla ciekawskich więcej na temat modułu jednostki centralnej Raspberry PI Zero wraz ze szczegółowymi opisami wyprowadzeń w interfejsie urządzeń zewnętrznych można znaleźć w wielu miejscach w internecie, dlatego też tutaj nie będziemy wnikali w takie szczegóły.
MODUŁ WYŚWIETLACZA LCD
Do zbudowania urządzenia należy zaopatrzyć się w dowolnym, jednym z wielu dostępnych sklepów z elektroniką moduł alfanumerycznego wyświetlacza LCD. Aby poprawnie działał musi on spełniać następujące parametry:
– Zakupiony wyświetlacz musi być alfanumeryczny. Oznacza to, że nie może to być wyświetlacz innego rodzaju, jak np. wyświetlacz graficzny.
– Sterownik wyświetlacza musi być zgodny ze sterownikiem HD44780.
To co do tej pory zostało tutaj napisane jest dosyć łatwe do spełnienia, gdyż spełniają je wszystkie tanie wyświetlacze w ofercie niemal każdego sklepu z elektroniką.
Różnice natomiast bywają w wymiarach i w układzie wyprowadzeń. O ile wymiary muszą być takie aby dało się go zmieścić w zakupionej obudowie, to układ wyprowadzeń musi być każdorazowo sprawdzony w nocie katalogowej. Jeżeli nie będziemy mieli dostępu do takiej noty lepiej sobie czasami odpuścić kupno wyświetlacza niż dochodzić przyczyny dlaczego nic nie działa. Dobra wiadomość jest taka, że niemal w każdym sklepie internetowym z elektroniką, dla danego typu modułu wyświetlacza jest niemal zawsze podana taka nota katalogowa.
Kolejną dobrą wiadomością zapewne będzie, że na szczęście popularne i tanie moduły alfanumerycznych wyświetlaczy LCD w większości przypadków mają jednolity standard układu wyprowadzeń i właśnie ten standard zostanie przedstawiony w dalszym opisie. Także sposób montażu modułu wyświetlacza z pozostałymi elementami urządzenia MIDI Player będzie uwzględniać ten standardowy układ wyprowadzeń.
Poniżej przedstawiono typowy tani moduł alfanumerycznego wyświetlacza LCD z typowym układem wyprowadzeń (kliknij na obraz poniżej aby powiększyć).
Jak widać typowy układ wyprowadzeń wymaga 16 miejsc połączeniowych (nazywane też pin-ami), numerowych od 1 do 16, od lewej strony do prawej patrząc na front wyświetlacza. Aby sprawdzić, które wyprowadzenie (pin) jaką ma funkcje, wymagane jest zdobycie noty katalogowej danego modułu wyświetlacza.
Jak już wspomniano wcześniej przy zakupie w sklepie internetowym taka nota jest niemal zawsze dostępna. Poniżej przedstawiono najważniejszy wycinek noty katalogowej dla wyświetlacza przedstawionego powyżej.

Jeżeli zakupimy moduł alfanumerycznego wyświetlacza LCD o innym układzie wyprowadzeń niż podany powyżej, to w nocie katalogowej należy sprawdzić, gdzie znajduje się który pin. Znaczenie zaś pin-ów zawsze będzie takie samo.
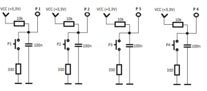
MODUŁ PRZYCISKÓW
Moduł przycisków należy zbudować na bazie niżej przedstawionego schematu (kliknij aby powiększyć):
Zalecane jest aby wykonać ten moduł na dedykowanej płytce drukowanej, ale gdyby ktoś się uparł i chciał bardziej oszczędnie, to można go też wykonać na podstawie wyżej wymienionego schematu z wykorzystaniem płytki uniwersalnej.
Przykład modułu przycisków wykonanego na przykładowej uniwersalnej płytce drukowanej może wyglądać tak, jak tutaj niżej zaprezentowano.

W takim przypadku, wszystkie połączenia muszą być gwarantowane przez poprawny montaż, który należy wykonać we własnym zakresie.
Zamawiając gotową płytkę drukowaną otrzymujemy element, do którego należy jedynie włożyć odpowiednie części i przylutować. Wygląd takiej przykładowej płytki przedstawiono poniżej:

Na schemacie według którego należy wykonać moduł przycisków oznaczono cztery wyjścia P1, P2, P3 oraz P4, które oznaczają kolejne przyciski licząc od lewej strony ich montażu na płytce. Znaczenie poszczególnych przycisków w budowanym urządzeniu MIDI Player jest następujące:
P1 – wybór podkładu na pendrive do zagrania – poprzedni podkład
P2 – wybór podkładu na pendrive do zagrania – następny podkład
P3 – start odtwarzania podkładu na syntezatorze
P4 – ten przycisk ma podwójne znaczenie. Zatrzymanie odtwarzania w przypadku, gdy urządzeni gra podkład oraz zakończenie pracy urządzenia MIDI Player w trybie wyboru podkładu do zagrania.
UWAGA: Istnieje możliwość zdobycia dedykowanej płytki drukowanej dla modułu przycisków, a nawet gotowy zmontowany układ ze wszystkimi elementami. W tym celu należy się z nami skontaktować aby ustalić szczegóły.
MODUŁ WYJŚCIOWY MIDI OUT
Moduł wyjściowy MIDI Out należy zbudować zgodnie z niżej przedstawionym schematem (kliknij aby powiększyć):
Do wyjścia modułu należy przyłączyć gniazdo DIN-5 (jest to standardowo niegdyś używane w każdym sprzęcie elektrotechnicznym – typu tuner, amplituner, wieże – gniazdo) w sposób zgodny z powyższą grafiką.
Na schemacie istnieją dodatkowe elementy, których zadaniem jest sterowanie podświetlaniem modułu wyświetlacza LCD. Są to piny oznaczone nazwami: KON, +5V LCD oraz +DISP. Wszystkie te piny muszą być podpięte do wyświetlacza zgodnie ze schematem pokazanym w sekcji Montaż.
Podobnie jak w przypadku modułu przycisków można tutaj wykonać dedykowaną płytkę drukowaną. Wygląd przykładowo wykonanej płytki przedstawiono poniżej:

UWAGA: Istnieje możliwość zdobycia dedykowanej płytki drukowanej dla modułu MIDI Out, a nawet gotowy zmontowany układ ze wszystkimi elementami. W tym celu należy się z nami skontaktować aby ustalić szczegóły.
MONTAŻ
W przypadku, gdy już mamy zakupione i zmontowane wszystkie niezbędne elementy (tzn. gdy mamy zmontowane oba moduły przycisków i MIDI Out) wystarczy całość umieścić w obudowie, połączyć ze sobą i wgrać system operacyjny na kartę micro USB, wraz z oprogramowaniem MIDI Player na Raspberry PI Zero aby cieszyć się możliwością odtwarzania podkładów na naszym syntezatorze.
Zakupiona obudowa musi być na tyle duża, aby pomieścić wszystkie moduły: moduł jednostki centralnej Raspberry PI Zero, wyświetlacz alfanumeryczny LCD, moduł przycisków i moduł wyjściowy MIDI Out. W przypadku wykorzystania uniwersalnych płytek drukowanych, obudowa musi być stosownie większa od tej przykładowej pokazanej na zdjęciach w tym artykule. Przykładowo pokazana obudowa ma wymiary: (szerokość 11,7 cm, wysokość 7,4 cm, głębokość 3 cm). Niestety, ale wśród dostępnych na rynku uniwersalnych obudów nie ma praktycznie takiej, która by miała gotowe otwory na tanie moduły wyświetlacza LCD, czy tez na przyciski modułu przycisków. Zatem wszystkie te otwory należy wykonać we własnym zakresie wykorzystując dobrą wiertarkę modelarską. Podobnie należy postąpić z otworami na zasilanie i podłączenie pendrive’a modułu jednostki centralnej Raspberry PI Zero.
Sposób montażu (czyli sposób połączenia poszczególnych modułów ze sobą) jednostki centralnej Raspbery PI Zero, modułów klawiatury i MIDI Out oraz wyświetlacza LCD przedstawiono poniżej na stosownej grafice (kliknij na obraz poniżej aby powiększyć):
Wszystkie połączenia należy wykonać przewodami montażowymi do płytek stykowych. Wszystkie zaś moduły winny mieć wcześniej wlutowane listwy kołkowe. Poniżej pokazano jak wygląda moduł jednostki centralnej z wlutowanymi listwami kołkowymi.

Sposób połączenia wyprowadzeń modułu wyświetlacza LCD z pozostałymi elementami (czyli z modułem MIDI Out oraz z jednostką centralną Raspberry PI Zero) uwzględnia najczęściej spotykany układ wyprowadzeń dostępnych w sprzedaży wyświetlaczy LCD, które zostały szczegółowo opisanie w sekcji MODUŁ WYŚWIETLACZA LCD.
UWAGA: Poprawność połączeń należy dokładnie sprawdzić z wyżej wymienioną grafiką. Jakiekolwiek błędy spowodują, że urządzenie nie będzie działać, a na wyświetlaczu najpewniej nie zobaczymy żadnej informacji.
Zmontowane kompletne urządzenie w przykładowo wykorzystanej obudowie uniwersalnej przedstawia grafika poniżej

Na rysunku zaznaczono również, gdzie należy podpiąć wyjście micro USB zasilacza oraz wejście micro USB czytnika pendrive.
OPROGRAMOWANIE
Oczywiście do całości niezbędne jest również stosowne oprogramowanie, które należy wgrać na zakupioną wcześniej kartę micro SD (przy czym pojemność karty rzędu 8-16GB jest tutaj zdecydowanie wystarczająca). Ponadto producent modułu jednostki centralnej Raspberry PI Zero zaleca używanie kart micro SD klasy 10. Praktyka pokazała, że karty SD w klasach niższych również dają sobie radę i jedynie sporadycznie zdarzają się przycięcia podczas odtwarzania podkładów.
Jak już wspomniano wcześniej jednostka centralna (czyli Raspberry PI Zero) pracuję pod kontrolą specjalnie przystosowanego systemu operacyjnego Linux Debian dla Raspberry PI. Sam system operacyjny można pobrać na oficjalnych stronach dotyczących projektu Raspberry PI.
Wybraną wersją idealnie nadającą się do opisywanych tutaj zastosowań nazywa się Raspbian Buster Lite. Jest to obraz systemu (tzw. plik image), który po wgraniu na kartę SD wymaga jeszcze dodatkowego oprogramowania, które umożliwi odtwarzanie plików MIDI na naszym syntezatorze.
Oczywiście takie dodatkowe oprogramowanie należy sobie jeszcze samemu stworzyć.
Wyręczając w tym czytelników i wychodząc na przeciw oczekiwaniom – aby maksymalnie uprościć całą operację od strony oprogramowania i jego konfiguracji – jest możliwość zamówienia na naszym blogu gotowej do działania karty micro SD, którą należy jedynie włożyć w odpowiednie gniazdo modułu jednostki centralnej Raspberry PI Zero oraz (po wcześniejszym montażu i umieszczeniu w obudowie) włączyć zasilanie, aby móc używać zbudowane urządzenie MIDI Player do grania na syntezatorze.
Aby zamówić kartę micro SD z programem MIDI Player dla Raspberry PI przejdź tutaj.




